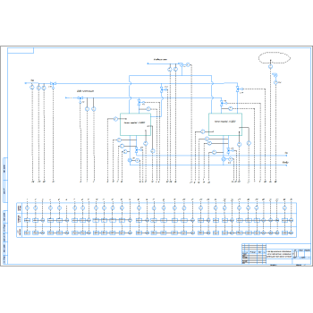
Функциональная схема автоматизации "Паровой комплекс".
Формат А1.
Чертеж выполнен в программе
КОМПАС v20
х64.
Чтобы открыть файл в
КОМПАС более ранней версии необходимо пересохранить чертеж в КОМПАС v20 х64 для более ранней
версии, или использовать систему КОМПАС-3D Viewer для просмотра и печати документов и шаблонов
документов.
Файл: ФСА Паровой комплекс А1.cdw
Паровой комплекс
-
500р.

